





横ティーは、パイプを通過している流体またはガス液の方向を変える際に使用されます。乱流と摩擦を減らす能力があり、それによって流体の流れが増加します。
このタイプのティーは、パイプサイズの小さなサイズにも移行しながら、フローを斜めにリダイレクトする必要があるシナリオで特に役立ちます。流体またはガスの分布が横方向の分岐とともにパイプの直径の変化を必要とする産業とシステムに適用されます。横方向の還元ティーは、さまざまなサイズのパイプ間のスムーズな遷移を促進し、流れ方向を効率的に制御します。
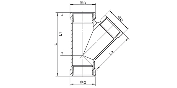
ラテラルティーは、パイプラインから45度の枝がある1つのティーフィッティングです。パイプで横方向のティーを取り付けるとき、溶接機は流れる方向に注意する必要があります。メインランパイプに対して、枝は45度と135度角度です。枝の特別な形状と方向のため、横方向のティーは2つのパイプで作られ、その後接続されます。
横方向のティーパイプフィッティングには、水に対する高抵抗、耐久性、耐食性、簡単な設置などのようないくつかの機能があります。高温および圧力条件下では、正確な寸法、腐食防止などを維持できます。
導入
| ラテラルティー | |
| アイテム | ステンレス鋼のネジ付きラテラルティー |
| 標準 | ASME / ANSI -B 16.9、ASTM A403 -ASME SA403、ASME B16.9、ASME B16.25、ASME B16.28、MSS SP -43 |
| 材料 | ステンレス鋼:304、F304(S30408)、F316(S31608)、F321(S32168)、304L(S30403)、F316L(S31603)、316L(高MO)、00CR17NI14MO2、F51(S22253)、F60 F304H(S30409)、F316H(S31609)、F321H(S32169)、F321H LOW S.P、M-400、F53、316TI、317、317L、347、347H(S34779)、310S、F304 Low S.P、304L Low S.P、F316L低いs.p、f5teel |
| 表面 | cs-galvanizedまたはblack loshating、錆びないoi、ss-pickled&nealed、磨かれた、ショット爆破 |
| タイプ | 精密キャスティング |
| サイズ | 1/4 "-2"、カスタマイズを受け入れます |
| 納期 | プリペイドを受け取ってから5〜30日以内 |
| パッキング | 製品の表面はプラスチックフィルムまたはバブルペーパーで包まれており、両端は保護のために覆われています。 |
| 応用 | 石油、化学物質、機械、ボイラー、電気、造船など、 |
| サイズ | dn | φd | l | L1 | L2 |
| 1/4」 | 8 | 18.0 | 55.0 | 32.5 | 33.0 |
| 3/8」 | 10 | 21.5 | 60.0 | 38.0 | 38.5 |
| 1/2」 | 15 | 26.5 | 65.0 | 45.5 | 46.5 |
| 3/4」 | 20 | 32.0 | 80.0 | 54.0 | 55.5 |
| 1 " | 25 | 39.5 | 90.0 | 65.0 | 66.0 |
| 1 1/4」 | 32 | 48.5 | 104.0 | 75.0 | 76.0 |
| 1 1/2」 | 40 | 55.0 | 120.0 | 88.0 | 88.0 |
| 2 " | 50 | 67.0 | 138.0 | 105.0 | 107.0 |
2007年に設立され、2022年にZhijiang州のLongyou経済開発ゾーンに移動しました。130,000平方メートルの面積、30以上の生産ライン、300人の労働者、20人のR&D人、30人の検査人、年間50,000トンの生産量をカバーしています。
ISO9001:2008品質管理システム、PED 97/23/EC EUプレッシャー機器指令認証、中国特別機器製造ライセンス(圧力チューブ)TS認定、ASME認定、ISO14000:2004環境管理システム、クリーナー生産(グリーンエンタープライズ)、および中国分類局(CCS)などのsigre船の登録局(グリーンエンタープライズ)に合格しました。 Shipping(LR)、Deutsche Veritas(GL)、Bureau Veritas Society(BV)、Det Norske Veritas(DNV)、および韓国の海運登録(KR)工場認証。
主な製品には、石油、化学産業、原子力産業、製錬、造船、医薬品、食品、水保全、電力、新しいエネルギー、機械装備、およびその他の畑で広く使用されているステンレス鋼のパイプ、パイプ継手、フランジ、バルブなどが含まれます。同社は、「生存の品質、開発の評判」の企業の教義を順守し、すべての顧客に耐久性のある状況を生み出すために心から奉仕しています。




ガスインフラストラクチャには、漏れがなく、腐食故障がなく、予期せぬ圧力が発生しないなど、妥協なく機能する材料が求められます。ステンレス鋼パイプは、住宅設備から大規模な産業用パイプラインに至るまで、ガス供給システムにとって最も信頼できる選択肢の 1 つとしての地位を獲得しています。ただし、適切なグレード、タイプ、構成を選択するには、スペックシートを選択するだけでは不十分です。このガイドで...
詳細をご覧ください私たちは、 チューブ2026 は、2026 年 4 月 13 日から 17 日までドイツのメッセ デュッセルドルフで開催されるチューブ&パイプ技術の世界有数の見本市です。世界の配管業界で最も影響力のあるイベントの 1 つである Tube 2026 には、50 か国以上から 1,200 を超える出展者が集まり、世界中からエンジニア、調達マネージャー、代理店、業界リーダーを含む約 ...
詳細をご覧くださいコイルチューブ技術は、現代の石油およびガス産業において最も重要なツールの 1 つとなっています。坑井介入、刺激、掘削のいずれであっても、コイルチューブ会社は炭化水素生産を効率的に実行し続ける重要なサービスを提供します。主要なプレーヤーが誰であるか、そしてその事業を可能にする材料は何かを理解することは、エネルギー部門全体のエンジニア、調達チーム、サプライチェーンマネージャーにとって貴重な...
詳細をご覧くださいあなたのメールアドレスとあなたを共有することはありません
いつでもオプトアウトできます、私たちは約束します。