





長い溶接ネックフランジは、拡張首またはハブで区別される配管システムの特殊なコンポーネントです。溶接ネックフランジには、パイプからフィッティングにサイズを小さくする長いテーパーハブがあります。この設計はストレス集中を最小限に抑え、高圧および高温の用途に最適です。首の拡張はフランジを強化し、ストレス分布さえ促進し、疲労リスクを減らします。さらに、長い溶接ネックフランジで補強すると、配管システムがより安全です。この種のフランジは、パイプラインで流れる液体の圧力と温度の変化のバランスをとるのに役立ちます。
長い溶接首のフランジは、構造の完全性が強化されているため、重要な産業環境で好まれています。特に、拡張首は簡単な溶接と検査プロセスを促進します。溶接用の十分なスペースにより、安全な接続が保証されますが、長さの長さはより良い視認性とアクセスを提供することで検査を簡素化します。
長い溶接首のフランジは、石油化学、石油、ガス、および発電業界で普及しており、堅牢で信頼できる配管システムに貢献しています。彼らの設計により、耐久性と安全性が保証され、パフォーマンスが最重要であるアプリケーションに好ましい選択肢となります。
導入
| 標準 | ANSI B16.5、ANSI B16.47、ANSI B16.36、ANSI B16.48、BS 4504、EN1092、UNI 2277/2278、DIN、JIS、SABS1123、GOST-12820など。 |
| 材料 | ステンレス鋼:A182 F304、A182F304L、A182 F316、A182 F316L、A182F321、A182 317H、A182316TI、F53、F51など 炭素鋼:A105、A350LF2 合金鋼:A182 F11、A182F22、A182F12、A182 F5、A182F91、A182 F9など |
| 表面 | 治療防止防止塗料、オイルブラックペイント、黄色の透明、亜鉛メッキ、冷たい、熱いディップ亜鉛めっき |
| タイプ | 鍛造、CNC加工 |
| サイズ | 1/2 "-24" |
| 納期 | プリペイドを受け取ってから5〜30日以内 |
| パッキング | 治療防止防止塗料、オイルブラックペイント、黄色の透明、亜鉛メッキ、冷たい、熱いディップ亜鉛めっき |
| 応用 | 化学物質、石油工場、石油化学、鉱業、製油所、建設、肥料、造船、発電所、鉄骨工場、原子力、オフショア、石油&ガス、防衛、紙、醸造所、鉄道、セメント、エンジニアリングなど。 |
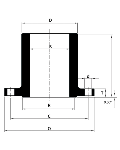
| NP | ボア | od | thk | od | いいえ。 穴の | 穴のサイズ | ボルトサークル | 上昇した顔径。 | 長さ | 重さ |
| (で) | b(in) | o(in) | 錫) | D(in) | (穴) | D(in) | c(in) | r(in) | l(in) | (キロ)- |
| ½ | 0.50 | 3.50 | 0.44 | 1.25 | 4 | 0.62 | 2.38 | 1.38 | 9.00 | 1.36 |
| ¾ | 0.75 | 3.88 | 0.50 | 1.62 | 4 | 0.62 | 2.75 | 1.69 | 9.00 | 2.27 |
| 1 | 1.00 | 4.25 | 0.56 | 2.00 | 4 | 0.62 | 3.12 | 2.00 | 9.00 | 3.17 |
| 1¼ | 1.25 | 4.26 | 0.62 | 2.38 | 4 | 0.62 | 3.50 | 2.50 | 9.00 | 4.54 |
| 1½ | 1.50 | 5.00 | 0.69 | 2.62 | 4 | 0.62 | 3.88 | 2.88 | 9.00 | 5.44 |
| 2 | 2.00 | 6.00 | 0.75 | 3.25 | 4 | 0.75 | 4.75 | 3.63 | 9.00 | 6.81 |
| 2½ | 2.50 | 7.00 | 0.88 | 3.75 | 4 | 0.75 | 5.50 | 4.13 | 9.00 | 9.98 |
| 3 | 3.00 | 7.50 | 0.94 | 4.25 | 4 | 0.75 | 6.00 | 5.00 | 9.00 | 11.35 |
| 3½ | 3.50 | 8.50 | 0.94 | 4.88 | 8 | 0.75 | 7.00 | 5.50 | 9.00 | 14.52 |
| 4 | 4.00 | 9.00 | 0.94 | 5.50 | 8 | 0.75 | 7.50 | 6.19 | 12.00 | 21.33 |
| 5 | 5.00 | 10.00 | 0.94 | 6.50 | 8 | 0.88 | 8.50 | 7.31 | 12.00 | 25.87 |
| 6 | 6.00 | 11.00 | 1.00 | 7.75 | 8 | 0.88 | 9.50 | 8.50 | 12.00 | 34.05 |
| 8 | 8.00 | 13.50 | 1.12 | 9.75 | 8 | 0.88 | 11.75 | 1063 | 12.00 | 46.30 |
| 10 | 10.00 | 16.00 | 1.19 | 12.00 | 12 | 1.00 | 14.25 | 12.75 | 12.00 | 64.92 |
| 12 | 12.00 | 19.00 | 1.25 | 14.38 | 12 | 1.00 | 17.00 | 15.00 | 12.00 | 93.07 |
| 14 | 14.00 | 31.00 | 1.38 | 16.00 | 12 | 1.12 | 18.75 | 16.25 | 12.00 | 95.79 |
| 16 | 16.00 | 23.50 | 1.44 | 18.00 | 16 | 1.12 | 21.25 | 18.50 | 12.00 | 111.68 |
| 18 | 18.00 | 25.00 | 1.56 | 20.00 | 16 | 1.25 | 22.75 | 21.00 | 12.00 | 122.58 |
| 20 | 20.00 | 25.50 | 1.69 | 22.00 | 20 | 1.25 | 25.00 | 23.00 | 12.00 | 141.19 |
| 24 | 24.00 | 32.00 | 1.88 | 26.25 | 20 | 1.38 | 29.50 | 27.25 | 112.00 | 192.04 |
クラス300
| NP | ボア | od | thk | od | いいえ。 穴の | 穴のサイズ | ボルトサークル | 上昇した顔径。 | 長さ | 重さ |
| (で) | b(in) | o(in) | 錫) | D(in) | (穴) | D(in) | c(in) | r(in) | l(in) | (キロ)- |
| ½ | 0.50 | 3.75 | 0.56 | 1.50 | 4 | 0.62 | 26.2 | 1.38 | 9.00 | 2.27 |
| ¾ | 0.75 | 4.62 | 0.62 | 1.88 | 4 | 0.75 | 3.25 | 1.69 | 9.00 | 4.08 |
| 1 | 1.00 | 4.88 | 0.69 | 2.12 | 4 | 0.75 | 3.50 | 2.00 | 9.00 | 4.08 |
| 1¼ | 1.25 | 5.25 | 0.75 | 2.50 | 4 | 0.75 | 3.88 | 2.50 | 9.00 | 5.90 |
| 1½ | 1.50 | 6.12 | 0.81 | 2.75 | 4 | 0.88 | 4.50 | 2.88 | 9.00 | 6.81 |
| 2 | 2.00 | 6.50 | 0.88 | 3.31 | 8 | 0.75 | 5.00 | 3.63 | 9.00 | 9.08 |
| 2½ | 2.50 | 7.50 | 1.00 | 3.94 | 8 | 0.88 | 5.88 | 4.13 | 9.00 | 11.35 |
| 3 | 3.00 | 8.25 | 1.12 | 4.62 | 8 | 0.88 | 6.62 | 5.00 | 9.00 | 15.89 |
| 3½ | 3.50 | 9.00 | 1.19 | 5.25 | 8 | 0.88 | 7.25 | 5.50 | 9.00 | 19.06 |
| 4 | 4.00 | 10.00 | 1.25 | 5.75 | 8 | 0.88 | 7.88 | 6.19 | 12.00 | 28.14 |
| 5 | 5.00 | 11.00 | 1.38 | 7.00 | 8 | 0.88 | 9.25 | 7.31 | 12.00 | 38.14 |
| 6 | 6.00 | 12.50 | 1.44 | 8.12 | 12 | 0.88 | 10.62 | 8.50 | 12.00 | 47367 |
| 8 | 8.00 | 15.00 | 1.62 | 10.25 | 12 | 1.00 | 13.00 | 10.63 | 12.00 | 67.19 |
| 10 | 10.00 | 17.50 | 1.88 | 12.62 | 16 | 1.12 | 15.25 | 12.57 | 12.00 | 95.34 |
| 12 | 12.00 | 20.50 | 2.00 | 14.75 | 16 | 1.25 | 17.75 | 15.00 | 12.00 | 124.85 |
| 14 | 14.00 | 23.00 | 2.12 | 16.75 | 20 | 1.25 | 20.25 | 16.25 | 12.00 | 147.09 |
| 16 | 16.00 | 25.50 | 2.25 | 19.00 | 20 | 1.38 | 22.50 | 18.50 | 12.00 | 173.41 |
| 18 | 18.00 | 28.00 | 2.38 | 21.00 | 24 | 1.38 | 24.75 | 21.00 | 12.00 | 211.11 |
| 20 | 20.00 | 30.50 | 2.50 | 23.12 | 24 | 1.38 | 27.00 | 23.00 | 12.00 | 249.16 |
| 24 | 24.00 | 36.00 | 2.75 | 27.62 | 24 | 1.62 | 32.00 | 27.25 | 12.00 | 353.21 |
クラス400
| NP | ボア | od | thk | od | いいえ。 穴の | 穴のサイズ | ボルトサークル | 上昇した顔径。 | 長さ | 重さ |
| (で) | b(in) | o(in) | 錫) | D(in) | (穴) | D(in) | c(in) | r(in) | l(in) | (キロ)- |
| ½ | 0.50 | 3.75 | 0.56 | 1.50 | 4 | 0.62 | 26.20 | 1.38 | 9.00 | 2.27 |
| ¾ | 0.75 | 4.62 | 0.62 | 1.88 | 4 | 0.75 | 3.25 | 1.69 | 9.00 | 3.63 |
| 1 | 1.00 | 4.88 | 0.69 | 2.12 | 4 | 0.75 | 3.50 | 2.00 | 9.00 | 4.08 |
| 1¼ | 1.25 | 5.25 | 0.81 | 2.50 | 4 | 0.75 | 3.88 | 2.50 | 9.00 | 5.09 |
| 1½ | 1.50 | 6.12 | 0.88 | 2.75 | 4 | 0.88 | 4.50 | 2.88 | 9.00 | 7.266.50 |
| 2 | 2.00 | 6.50 | 1.00 | 3.31 | 8 | 0.75 | 5.00 | 3.63 | 9.00 | 9.08 |
| 2½ | 2.50 | 7.50 | 1.12 | 3.94 | 8 | 0.88 | 5.88 | 4.13 | 9.00 | 12.25 |
| 3 | 3.00 | 8.25 | 1.25 | 4.62 | 8 | 0.88 | 6.62 | 5.00 | 9.00 | 16.34 |
| 3½ | 3.50 | 9.00 | 1.38 | 5.25 | 8 | 1.00 | 7.25 | 5.50 | 9.00 | 20.04 |
| 4 | 4.00 | 10.00 | 1.38 | 5.75 | 8 | 1.00 | 7.88 | 6.19 | 12.00 | 29.51 |
| 5 | 5.00 | 11.00 | 1.50 | 7.00 | 8 | 1.00 | 9.25 | 7.31 | 12.00 | 39.95 |
| 6 | 6.00 | 12.50 | 1.62 | 8.12 | 12 | 1.00 | 10.62 | 8.50 | 12.00 | 49.94 |
| 8 | 8.00 | 15.00 | 1.88 | 10.25 | 12 | 1.12 | 13.00 | 10.63 | 12.00 | 69.91 |
| 10 | 10.00 | 17.50 | 2.12 | 12.62 | 16 | 1.25 | 15.25 | 12.75 | 12.00 | 98.97 |
| 12 | 12.00 | 20.50 | 2.25 | 14.75 | 16 | 1.38 | 17.75 | 15.00 | 12.00 | 129.39 |
| 14 | 14.00 | 23.00 | 2.38 | 16.75 | 20 | 1.38 | 20.25 | 16.25 | 12.00 | 152.54 |
| 16 | 16.00 | 25.50 | 2.50 | 19.00 | 20 | 1.50 | 22.50 | 18.50 | 12.00 | 189.77 |
| 18 | 18.00 | 28.00 | 2.62 | 21.00 | 24 | 1.50 | 24.75 | 21.00 | 12.00 | 218.82 |
| 20 | 20.00 | 30.50 | 2.75 | 23.12 | 24 | 1.62 | 27.00 | 23.00 | 12.00 | 257.87 |
| 24 | 24.00 | 36.00 | 3.0 | 27.62 | 24 | 1.88 | 32.00 | 27.25 | 12.00 | 365.01 |
クラス600
| NP | ボア | od | thk | od | いいえ。 穴の | 穴のサイズ | ボルトサークル | 上昇した顔径。 | 長さ | 重さ |
| (で) | b(in) | o(in) | 錫) | D(in) | (穴) | D(in) | c(in) | r(in) | l(in) | (キロ)- |
| ½ | 0.50 | 3.75 | 0.56 | 1.50 | 4 | 0.62 | 2.62 | 1.38 | 9.00 | 2.27 |
| ¾ | 0.75 | 4.62 | 0.62 | 1.88 | 4 | 0.75 | 3.25 | 1.69 | 9.00 | 3.63 |
| 1 | 1.00 | 4.88 | 0.69 | 2.12 | 4 | 0.75 | 3.50 | 2.00 | 9.00 | 4.08 |
| 1¼ | 1.25 | 5.25 | 0.81 | 2.50 | 4 | 0.75 | 3.88 | 2.50 | 9.00 | 5.09 |
| 1½ | 1.50 | 6.12 | 0.88 | 2.75 | 4 | 0.88 | 4.50 | 2.88 | 9.00 | 7.26 |
| 2 | 2.00 | 6.50 | 1.00 | 3.31 | 8 | 0.75 | 5.00 | 3.63 | 9.00 | 9.08 |
| 2½ | 2.50 | 7.50 | 1.12 | 3.94 | 8 | 0.88 | 5.88 | 4.13 | 9.00 | 12.25 |
| 3 | 3.00 | 8.25 | 1.25 | 4.62 | 8 | 0.88 | 6.62 | 5.00 | 9.00 | 16.34 |
| 4 | 4.00 | 10.75 | 1.50 | 6.00 | 8 | 1.00 | 8.50 | 6.19 | 12.00 | 34.95 |
| 5 | 5.00 | 13.00 | 1.75 | 7.50 | 8 | 1.12 | 10.50 | 7.31 | 12.00 | 55.84 |
| 6 | 6.00 | 14.00 | 1.88 | 8.75 | 12 | 0.88 | 11.50 | 9.50 | 12.00 | 69.08 |
| 8 | 8.00 | 16.50 | 2.19 | 10.75 | 12 | 1.25 | 13.75 | 10.63 | 12.00 | 93.97 |
| 10 | 10.00 | 20.00 | 2.50 | 13.50 | 16 | 1.38 | 17.00 | 12.75 | 12.00 | 147.09 |
| 12 | 12.00 | 22.00 | 2.62 | 15.75 | 20 | 1.38 | 19.25 | 15.00 | 12.00 | 178.42 |
| 14 | 14.00 | 23.75 | 2.75 | 17.00 | 20 | 1.50 | 20.75 | 16.25 | 16.00 | 213.83 |
| 16 | 16.00 | 27.00 | 3.00 | 19.50 | 20 | 1.62 | 23.75 | 18.50 | 16.00 | 289.65 |
| 18 | 18.00 | 29.25 | 3.25 | 21.50 | 20 | 1.75 | 25.75 | 21.00 | 16.00 | 331.42 |
| 20 | 20.00 | 32.00 | 3.50 | 24.00 | 24 | 1.75 | 28.50 | 23.00 | 16.00 | 415.86 |
| 24 | 24.00 | 37.00 | 4.00 | 28.25 | 24 | 2.00 | 33.00 | 27.25 | 16.00 | 549.34 |
クラス900
| NP | ボア | od | thk | od | いいえ。 穴の | 穴のサイズ | ボルトサークル | 上昇した顔径。 | 長さ | 重さ |
| (で) | b(in) | o(in) | 錫) | D(in) | (穴) | D(in) | c(in) | r(in) | l(in) | (キロ)- |
| ½ | 0.50 | 4.75 | 0.88 | 1.56 | 4 | 0.88 | 3.25 | 1.38 | 9.00 | 3.63 |
| ¾ | 0.75 | 5.12 | 1.00 | 1.81 | 4 | 0.88 | 3.50 | 1.69 | 9.00 | 4.54 |
| 1 | 1.00 | 5.88 | 1.12 | 2.12 | 4 | 1.00 | 4.00 | 2.00 | 9.00 | 5.09 |
| 1¼ | 1.25 | 6.25 | 1.112 | 2.50 | 4 | 1.00 | 4.38 | 2.50 | 9.00 | 7.71 |
| 1½ | 1.50 | 7.00 | 1.25 | 2.75 | 4 | 1.12 | 4.88 | 2.88 | 9.00 | 9.53 |
| 2 | 2.00 | 8.50 | 1.50 | 4.12 | 8 | 1.00 | 6.50 | 3.63 | 9.00 | 19.06 |
| 2½ | 2.50 | 9.62 | 1.62 | 4.88 | 8 | 1.12 | 7.50 | 4.13 | 9.00 | 23.15 |
| 3 | 3.00 | 9.50 | 1.50 | 5.00 | 8 | 1.00 | 7.50 | 5.00 | 9.00 | 25.42 |
| 4 | 4.00 | 11.50 | 1.75 | 6.25 | 8 | 1.25 | 9.25 | 6.19 | 12.00 | 42.22 |
| 5 | 5.00 | 13.75 | 2.00 | 7.50 | 8 | 1.38 | 11.00 | 7.31 | 12.00 | 61.29 |
| 6 | 6.00 | 15.00 | 2.19 | 9.25 | 12 | 1.25 | 12.50 | 8.50 | 12.00 | 86.71 |
| 8 | 8.00 | 18.50 | 2.50 | 11.75 | 12 | 1.50 | 15.50 | 10.63 | 12.00 | 134.83 |
| 10 | 10.00 | 21.50 | 2.75 | 14.50 | 16 | 1.50 | 18.50 | 12.75 | 12.00 | 191.58 |
| 12 | 12.00 | 24.00 | 3.12 | 16.50 | 20 | 1.50 | 21.00 | 15.00 | 12.00 | 235.17 |
| 14 | 14.00 | 25.25 | 3.38 | 17.75 | 20 | 1.62 | 22.00 | 16.25 | 16.00 | 283.29 |
| 16 | 16.00 | 27.75 | 3.50 | 20.00 | 20 | 1.75 | 24.25 | 18.50 | 16.00 | 340.50 |
| 18 | 18.00 | 31.00 | 4.00 | 22.25 | 20 | 2.00 | 27.00 | 21.00 | 16.00 | 413.30 |
| 20 | 20.00 | 33.75 | 4.25 | 24.50 | 20 | 2.12 | 29.50 | 23.00 | 16.00 | 508.93 |
| 24 | 24.00 | 41.00 | 5.50 | 29.50 | 20 | 2.621 | 35.50 | 27.25 | 16.00 | 846.71 |
クラス1500
| NP | ボア | od | thk | od | いいえ。 穴の | 穴のサイズ | ボルトサークル | 上昇した顔径。 | 長さ | 重さ |
| (で) | b(in) | o(in) | 錫) | D(in) | (穴) | D(in) | c(in) | r(in) | l(in) | (キロ)- |
| ½ | 0.50 | 4.75 | 0.88 | 1.56 | 4 | 0.88 | 3.25 | 1.38 | 9.00 | 3.63 |
| ¾ | 0.75 | 5.12 | 1.00 | 1.81 | 4 | 0.88 | 3.50 | 1.69 | 9.00 | 4.54 |
| 1 | 1.00 | 5.88 | 1.12 | 2.12 | 4 | 1.00 | 4.00 | 2.00 | 9.00 | 5.09 |
| 1¼ | 1.25 | 6.25 | 1.12 | 2.50 | 4 | 1.00 | 4.38 | 2.50 | 9.00 | 7.71 |
| 1½ | 1.50 | 7.00 | 1.25 | 2.75 | 4 | 1.12 | 4.88 | 2.88 | 9.00 | 9.53 |
| 2 | 2.00 | 9.50 | 1.50 | 4.12 | 8 | 1.00 | 6.50 | 3.63 | 9.00 | 19.06 |
| 2½ | 2.50 | 9.62 | 1.62 | 4.88 | 8 | 1.12 | 7.50 | 4.13 | 9.00 | 25.42 |
| 3 | 3.00 | 10.50 | 1.88 | 5.25 | 8 | 1.25 | 8.00 | 5.00 | 9.00 | 30.41 |
| 4 | 4.00 | 12.25 | 2.12 | 6.38 | 8 | 1.38 | 9.50 | 6.19 | 12.00 | 49.94 |
| 5 | 5.00 | 14.75 | 2.88 | 7.75 | 8 | 1.62 | 11.50 | 7.31 | 12.00 | 82.17 |
| 6 | 6.00 | 15.50 | 3.25 | 9.00 | 12 | 1.50 | 12.50 | 8.50 | 12.00 | 97.61 |
| 8 | 8.00 | 19.00 | 3.62 | 11.50 | 12 | 1.75 | 15.50 | 10.63 | 12.00 | 152.99 |
| 10 | 10.00 | 23.00 | 4.25 | 14.50 | 12 | 2.00 | 19.00 | 12.75 | 12.00 | 247.88 |
| 12 | 12.00 | 26.50 | 4.88 | 17.75 | 16 | 2.12 | 22.50 | 15.00 | 12.00 | 429.48 |
| 14 | 14.00 | 29.50 | 5.25 | 19.50 | 16 | 2.38 | 25.00 | 16.25 | 16.00 | 506.66 |
| 16 | 16.00 | 32.50 | 5.75 | 21.75 | 16 | 2.62 | 27.75 | 18.50 | 16.00 | 622.43 |
| 18 | 18.00 | 36.00 | 6.38 | 23.50 | 16 | 2.88 | 30.50 | 21.00 | 16.00 | 759.99 |
| 20 | 20.00 | 38.75 | 7.00 | 25.25 | 16 | 3.12 | 32.75 | 23.00 | 16.00 | 882.12 |
| 24 | 24.00 | 46.00 | 8.00 | 30.00 | 16 | 3.62 | 39.00 | 27.25 | 16.00 | 1332.94 |
クラス2500
| NP | ボア | od | thk | od | いいえ。 穴の | 穴のサイズ | ボルトサークル | 上昇した顔径。 | 長さ | 重さ |
| (で) | b(in) | o(in) | 錫) | D(in) | (穴) | D(in) | c(in) | r(in) | l(in) | (キロ)- |
| ½ | 0.50 | 5.25 | 1.19 | 1.81 | 4 | 0.88 | 3.50 | 1.38 | 9.00 | 4.99 |
| ¾ | 0.75 | 5.50 | 1.25 | 2.06 | 4 | 0.88 | 3.75 | 1.69 | 9.00 | 5.90 |
| 1 | 1.00 | 6.25 | 1.38 | 2.25 | 4 | 1.00 | 4.25 | 2.00 | 9.00 | 8.17 |
| 1¼ | 1.25 | 7.25 | 1.50 | 2.88 | 4 | 1.12 | 5.12 | 2.50 | 9.00 | 12.25 |
| 1½ | 1.50 | 8.00 | 1.75 | 3.12 | 4 | 1.25 | 5.75 | 2.88 | 9.00 | 14.98 |
| 2 | 2.00 | 9.25 | 2.00 | 3.75 | 8 | 1.12 | 6.75 | 3.63 | 9.00 | 21.72 |
| 2½ | 2.50 | 10.50 | 2.25 | 4.50 | 8 | 1.25 | 7.75 | 4.13 | 9.00 | 29.96 |
| 3 | 3.00 | 12.00 | 2.62 | 5.25 | 8 | 1.38 | 9.00 | 5.00 | 9.00 | 44.03 |
| 4 | 4.00 | 14.00 | 3.00 | 6.50 | 8 | 1.62 | 10.75 | 6.19 | 12.00 | 72.18 |
| 5 | 5.00 | 16.50 | 3.62 | 8.00 | 8 | 1.88 | 12.75 | 7.31 | 12.00 | 112.59 |
| 6 | 6.00 | 19.00 | 4.25 | 9.25 | 8 | 2.12 | 14.50 | 8.50 | 12.00 | 162.53 |
| 8 | 8.00 | 21.75 | 5.00 | 12.00 | 12 | 2.12 | 17.25 | 10.63 | 16.00 | 267.40 |
| 10 | 10.00 | 26.50 | 6.50 | 14.75 | 12 | 2.62 | 21.25 | 12.75 | 16.00 | 452.63 |
| 12 | 12.00 | 30.00 | 7.25 | 17.38 | 12 | 2.88 | 24.38 | 15.00 | 16.00 | 618.80 |
2007年に設立され、2022年にZhijiang州のLongyou経済開発ゾーンに移動しました。130,000平方メートルの面積、30以上の生産ライン、300人の労働者、20人のR&D人、30人の検査人、年間50,000トンの生産量をカバーしています。
ISO9001:2008品質管理システム、PED 97/23/EC EUプレッシャー機器指令認証、中国特別機器製造ライセンス(圧力チューブ)TS認定、ASME認定、ISO14000:2004環境管理システム、クリーナー生産(グリーンエンタープライズ)、および中国分類局(CCS)などのsigre船の登録局(グリーンエンタープライズ)に合格しました。 Shipping(LR)、Deutsche Veritas(GL)、Bureau Veritas Society(BV)、Det Norske Veritas(DNV)、および韓国の海運登録(KR)工場認証。
主な製品には、石油、化学産業、原子力産業、製錬、造船、医薬品、食品、水保全、電力、新しいエネルギー、機械装備、およびその他の畑で広く使用されているステンレス鋼のパイプ、パイプ継手、フランジ、バルブなどが含まれます。同社は、「生存の品質、開発の評判」の企業の教義を順守し、すべての顧客に耐久性のある状況を生み出すために心から奉仕しています。




ガスインフラストラクチャには、漏れがなく、腐食故障がなく、予期せぬ圧力が発生しないなど、妥協なく機能する材料が求められます。ステンレス鋼パイプは、住宅設備から大規模な産業用パイプラインに至るまで、ガス供給システムにとって最も信頼できる選択肢の 1 つとしての地位を獲得しています。ただし、適切なグレード、タイプ、構成を選択するには、スペックシートを選択するだけでは不十分です。このガイドで...
詳細をご覧ください私たちは、 チューブ2026 は、2026 年 4 月 13 日から 17 日までドイツのメッセ デュッセルドルフで開催されるチューブ&パイプ技術の世界有数の見本市です。世界の配管業界で最も影響力のあるイベントの 1 つである Tube 2026 には、50 か国以上から 1,200 を超える出展者が集まり、世界中からエンジニア、調達マネージャー、代理店、業界リーダーを含む約 ...
詳細をご覧くださいコイルチューブ技術は、現代の石油およびガス産業において最も重要なツールの 1 つとなっています。坑井介入、刺激、掘削のいずれであっても、コイルチューブ会社は炭化水素生産を効率的に実行し続ける重要なサービスを提供します。主要なプレーヤーが誰であるか、そしてその事業を可能にする材料は何かを理解することは、エネルギー部門全体のエンジニア、調達チーム、サプライチェーンマネージャーにとって貴重な...
詳細をご覧くださいあなたのメールアドレスとあなたを共有することはありません
いつでもオプトアウトできます、私たちは約束します。