





ティーフィッティングを減らすことは、配管システムの重要なコンポーネントであり、大きなパイプから小さなパイプへの水または液体の流れを流用するためのシームレスなソリューションを提供します。これらの継手は、さまざまなサイズの開口部を備えており、中央の入口は2つの側面よりも大きな直径を持っています。
ティーフィッティングを減らすことの重要な利点の1つは、その汎用性です。彼らは、ポンプシステム、高純度システム、配信ラインなど、さまざまな業界やシステムでアプリケーションを見つけています。住宅の建物に給水を向けるか、商業施設で効率的な排水を促進するかどうかにかかわらず、Tシャツを減らすことは重要な役割を果たします。
ポンプシステムでは、ティーフィッティングを減らすことで、乱流や閉じ込めのない滑らかな流れの経路が保証されます。これは、圧力降下を最小限に抑え、システムの全体的な効率に影響を与える可能性のある混乱を防ぐことにより、パフォーマンスを維持するのに役立ちます。さらに、これらの継手は、廃棄物、給水、ガス、オイルなどのさまざまな種類の液体を処理するように設計されています。
ティーフィッティングの削減に使用される建設材料は、特定の要件によって異なります。一般的なオプションには、耐食性の特性と耐久性のステンレス鋼または手頃な価格と設置の容易さのためのPVC(塩化ポリ)が含まれます。
インストールに関しては、専門家はパイプ寸法に基づいて適切なサイズを慎重に選択して、互換性を確保し、機能を最大化します。適切に取り付けられた還元ティーは、システム全体に一貫した流体流を維持しながら漏れを最小限に抑える信頼できる接続を提供します。
全体として、ティーフィッティングを減らすことで、配管ネットワーク内の液体フローをリダイレクトするための効果的なソリューションが提供されます。さまざまなパイプサイズに対応する能力により、効率的な流体管理が最重要である多くの産業で不可欠なコンポーネントが不可欠です。
導入
| ティーを減らす | |
| アイテム | ステンレス鋼還元ティー |
| 標準 | ASTM A312、ANSI B16.9、EN、GB、DIN、GOST、JIS304/304など。 |
| 材料 | 304 316 304L 321 2205 2520 904L/カスタマイズ |
| 表面 | 熱い浸漬亜鉛めっき、電解亜鉛めっき、自然な仕上げ、化学黒、亜鉛メッキなど |
| タイプ | 偽造 |
| サイズ | DN600-700、カスタマイズされたサイズ |
| 納期 | プリペイドを受け取ってから5〜30日以内 |
| パッキング | 各ピースにはプラスチックフィルムで包まれ、木製のパレットまたは木製のケースが詰め込まれています。 |
| 応用 | 低および中圧力パイプライン、ボイラー、石油および天然ガス産業、掘削、化学産業、電気産業、造船、肥料機器、パイプライン、構造、石油化学、製薬産業など |
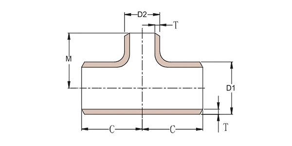
| 公称直径 | 外径 | センターから終了します | |||
| dn | NP | D1 | D2 | c | m |
| 600×600×450 | 24×24×18 | 630 | 480 | 432 | 419 |
| 600×600×400 | 24×24×16 | 630 | 426 | 432 | 406 |
| 600×600×350 | 24×24×14 | 630 | 377 | 432 | 406 |
| 600×600×300 | 24×24×12 | 630 | 325 | 432 | 397 |
| 600×600×250 | 24×24×10 | 630 | 273 | 432 | 384 |
| 700×700×600 | 28×28×24 | 720 | 630 | 521 | 508 |
| 700×700×500 | 28×28×20 | 720 | 529 | 521 | 483 |
| 700×700×450 | 28×28×18 | 720 | 478 | 521 | 470 |
| 700×700×400 | 28×28×16 | 720 | 426 | 521 | 457 |
| 700×700×350 | 28×28×14 | 720 | 377 | 521 | 457 |
| 700×700×300 | 28×28×12 | 720 | 325 | 521 | 448 |
化学組成
| 学年 | c≤ | Si≤ | mn≤ | p≤ | s≤ | ni≤ | cr≤ |
| 201 | 0.12 | 0.75 | 7 | 0.045 | 0.045 | 1.00-1.28 | 13.70-15.70 |
| 202 | 0.15 | 1 | 2.25 | 0.045 | 0.045 | 4.07-4.17 | 14.00-16.00 |
| 304 | 0.08 | 0.75 | 2 | 0.045 | 0.03 | 8.00-11.00 | 18.00-20.00 |
| 304L | 0.035 | 0.75 | 2 | 0.045 | 0.03 | 8.00-13.00 | 18.00-20.00 |
| 309 | 0.15 | 0.75 | 2 | 0.045 | 0.03 | 12.00-15.00 | 22.00-24.00 |
| 310S | 0.08 | 1.5 | 2 | 0.045 | 0.03 | 19.00-22.00 | 24.00-26.00 |
| 316 | 0.08 | 1 | 2 | 0.045 | 0.03 | 10.00-14.00 | 16.00-18.00 |
| 316L | 0.035 | 0.75 | 2 | 0.045 | 0.03 | 10.00-15.00 | 16.00-18.00 |
| 321 | 0.04-0.10 | 0.75 | 2 | 0.045 | 0.03 | 9.00-13.00 | 17.00-20.00 |
| 405 | 0.08 | 0.75 | 1 | 0.045 | 0.03 | 0.06 | 11.5-13.5 |
| 409 | 0.089 | 1 | 1 | 0.045 | 0.05 | 0.06 | 10.50-11.75 |
| 410 | 0.15 | 0.75 | 1 | 0.045 | 0.03 | 0.06 | 11.5-13.5 |
| 420 | 0.16-0.25 | 1 | 1 | 0.04 | 0.03 | 0.06 | 12.00-14.00 |
| 430 | 0.12 | 0.75 | 1 | 0.045 | 0.03 | 0.06 | 16.00-18.00 |
| 904L | 0.02 | 1 | 2 | 0.045 | 0.03 | 23.00-28.00 | 19.00-23.00 |
2007年に設立され、2022年にZhijiang州のLongyou経済開発ゾーンに移動しました。130,000平方メートルの面積、30以上の生産ライン、300人の労働者、20人のR&D人、30人の検査人、年間50,000トンの生産量をカバーしています。
ISO9001:2008品質管理システム、PED 97/23/EC EUプレッシャー機器指令認証、中国特別機器製造ライセンス(圧力チューブ)TS認定、ASME認定、ISO14000:2004環境管理システム、クリーナー生産(グリーンエンタープライズ)、および中国分類局(CCS)などのsigre船の登録局(グリーンエンタープライズ)に合格しました。 Shipping(LR)、Deutsche Veritas(GL)、Bureau Veritas Society(BV)、Det Norske Veritas(DNV)、および韓国の海運登録(KR)工場認証。
主な製品には、石油、化学産業、原子力産業、製錬、造船、医薬品、食品、水保全、電力、新しいエネルギー、機械装備、およびその他の畑で広く使用されているステンレス鋼のパイプ、パイプ継手、フランジ、バルブなどが含まれます。同社は、「生存の品質、開発の評判」の企業の教義を順守し、すべての顧客に耐久性のある状況を生み出すために心から奉仕しています。




ガスインフラストラクチャには、漏れがなく、腐食故障がなく、予期せぬ圧力が発生しないなど、妥協なく機能する材料が求められます。ステンレス鋼パイプは、住宅設備から大規模な産業用パイプラインに至るまで、ガス供給システムにとって最も信頼できる選択肢の 1 つとしての地位を獲得しています。ただし、適切なグレード、タイプ、構成を選択するには、スペックシートを選択するだけでは不十分です。このガイドで...
詳細をご覧ください私たちは、 チューブ2026 は、2026 年 4 月 13 日から 17 日までドイツのメッセ デュッセルドルフで開催されるチューブ&パイプ技術の世界有数の見本市です。世界の配管業界で最も影響力のあるイベントの 1 つである Tube 2026 には、50 か国以上から 1,200 を超える出展者が集まり、世界中からエンジニア、調達マネージャー、代理店、業界リーダーを含む約 ...
詳細をご覧くださいコイルチューブ技術は、現代の石油およびガス産業において最も重要なツールの 1 つとなっています。坑井介入、刺激、掘削のいずれであっても、コイルチューブ会社は炭化水素生産を効率的に実行し続ける重要なサービスを提供します。主要なプレーヤーが誰であるか、そしてその事業を可能にする材料は何かを理解することは、エネルギー部門全体のエンジニア、調達チーム、サプライチェーンマネージャーにとって貴重な...
詳細をご覧くださいあなたのメールアドレスとあなたを共有することはありません
いつでもオプトアウトできます、私たちは約束します。