






ねじれたカップリングには、ストレートチャネルと内部スレッド接続があります。これらは、多くの産業の配管システムに適しており、パイプの拡張、パイプを接続する、または他のアクセサリーと接続し、内側のワイヤジョイントのまっすぐなチャネルを介して、液体がスムーズに接合されるようにするために使用されます。
それらは、炭素、亜鉛めっき、ステンレス、または黒など、さまざまな種類の鋼で製造できます。ステンレス鋼は優れた腐食抵抗と高温耐性を持ち、さまざまな媒体の輸送と制御に適しているため、最適な材料と見なされ、広く使用されています。
他のパイプフィッティングコネクタとは異なり、非常に柔軟で調整可能です。ステンレス鋼の糸のカップリングには通常、スレッドがあり、パイプまたはパイプのネジ部分と結合するために使用され、固定と接続を実現します。
ステンレス鋼のネジ付きカップリングは、特定のニーズとアプリケーションに基づいてサイズがあります。一般的な仕様には、材料、糸の種類、スレッドサイズ、パイプの直径、長さ、表面処理などのグレードが含まれます。配管システムの設計と要件に応じて、適切なサイズを選択して、タイトで安定した接続効果を実現します。
導入
| アイテム | ステンレス鋼のねじ付きカップリング |
| 標準 | ANSI B16.11、MSS SP 97、MSS SP 95、MSS SP 83、BS3799、ASTM A733など。 |
| 材料 | SS201、SS304/CF8、SS316/CF8Mなど |
| 表面 | CNC機械加工、アンチラストオイル、ブラシ |
| タイプ | キャスト |
| サイズ | DN6-100 |
| 納期 | プリペイドを受け取ってから5〜30日以内 |
| パッキング | パレット/合板ケース |
| 応用 | 石油化学産業。航空および航空宇宙産業。製薬産業、ガス排気;発電所;造船所; 水処理など。 |
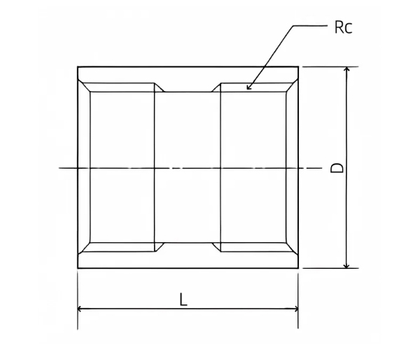
| サイズ | 糸 | サイズ(mm) | ||
| A(mm) | b(in) | RC | d | l |
| 6 | 1/8 | RC 1/8 | 15 | 23 |
| 8 | 1/4 | RC 1/4 | 19 | 29 |
| 10 | 3/8 | RC 3/8 | 22 | 30 |
| 15 | 1/2 | RC 1/2 | 27 | 36.5 |
| 20 | 3/4 | RC 3/4 | 33 | 38.5 |
| 25 | 1 | RC 1 | 40 | 43.5 |
| 32 | 1 1/4 | RC 1 1/4 | 49 | 49.5 |
| 40 | 1 1/2 | RC 1 1/2 | 55.5 | 52.5 |
| 50 | 2 | RC 2 | 68 | 62.5 |
| 65 | 2 1/2 | RC 2 1/2 | 83 | 73 |
| 80 | 3 | RC 3 | 97 | 81 |
| 100 | 4 | RC 4 | 125 | 93 |
2007年に設立され、2022年にZhijiang州のLongyou経済開発ゾーンに移動しました。130,000平方メートルの面積、30以上の生産ライン、300人の労働者、20人のR&D人、30人の検査人、年間50,000トンの生産量をカバーしています。
ISO9001:2008品質管理システム、PED 97/23/EC EUプレッシャー機器指令認証、中国特別機器製造ライセンス(圧力チューブ)TS認定、ASME認定、ISO14000:2004環境管理システム、クリーナー生産(グリーンエンタープライズ)、および中国分類局(CCS)などのsigre船の登録局(グリーンエンタープライズ)に合格しました。 Shipping(LR)、Deutsche Veritas(GL)、Bureau Veritas Society(BV)、Det Norske Veritas(DNV)、および韓国の海運登録(KR)工場認証。
主な製品には、石油、化学産業、原子力産業、製錬、造船、医薬品、食品、水保全、電力、新しいエネルギー、機械装備、およびその他の畑で広く使用されているステンレス鋼のパイプ、パイプ継手、フランジ、バルブなどが含まれます。同社は、「生存の品質、開発の評判」の企業の教義を順守し、すべての顧客に耐久性のある状況を生み出すために心から奉仕しています。




ガスインフラストラクチャには、漏れがなく、腐食故障がなく、予期せぬ圧力が発生しないなど、妥協なく機能する材料が求められます。ステンレス鋼パイプは、住宅設備から大規模な産業用パイプラインに至るまで、ガス供給システムにとって最も信頼できる選択肢の 1 つとしての地位を獲得しています。ただし、適切なグレード、タイプ、構成を選択するには、スペックシートを選択するだけでは不十分です。このガイドで...
詳細をご覧ください私たちは、 チューブ2026 は、2026 年 4 月 13 日から 17 日までドイツのメッセ デュッセルドルフで開催されるチューブ&パイプ技術の世界有数の見本市です。世界の配管業界で最も影響力のあるイベントの 1 つである Tube 2026 には、50 か国以上から 1,200 を超える出展者が集まり、世界中からエンジニア、調達マネージャー、代理店、業界リーダーを含む約 ...
詳細をご覧くださいコイルチューブ技術は、現代の石油およびガス産業において最も重要なツールの 1 つとなっています。坑井介入、刺激、掘削のいずれであっても、コイルチューブ会社は炭化水素生産を効率的に実行し続ける重要なサービスを提供します。主要なプレーヤーが誰であるか、そしてその事業を可能にする材料は何かを理解することは、エネルギー部門全体のエンジニア、調達チーム、サプライチェーンマネージャーにとって貴重な...
詳細をご覧くださいあなたのメールアドレスとあなたを共有することはありません
いつでもオプトアウトできます、私たちは約束します。